
 |
| Voltage Multiplier |
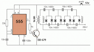
Sirkuit ini menghasilkan tegangan sangat tinggi dan harus hati-hati untuk mencegah mendapatkan kejutan listrik tegangan tinggi. Transformator dapat menghasilkan lebih dari 1.000 v dan multiplier 8-tahap dapat memproduksi hingga 20.000 v. Untuk transformator (trafo) dapat digunakan trafo output OT-240reff : http://elektronikrangkaian.blogspot.com/2013/10/pengganda-tegangan-voltage-multiplier.html
Video yang berkaitan dengan Pengganda Tegangan (Voltage Multiplier)
0 comments:
Post a Comment